Features
| Applications
|
Blog








Features
| Applications
|
Electrical Characteristics(Ta=25℃)
| Parameter | Sym bol | Test Conditions | Min. | Typ. | Max. | Uni t | |
| Operating voltage | VDD | – | 2.2 | – | 5.5 | V | |
|
I/O Port Source Current |
IOH | all Output | VDD=3.0V VOH=2.7V | – | 5 | – | mA |
| VDD=5.0V VOH=4.5V | – | 10 | – | mA | |||
|
I/O Port Sink Current |
IOL | all Output | VDD=3.0V VOL=0.3V | – | 15 | – | mA |
| VDD=5.0V VOL=0.5V | – | 30 | – | mA | |||
|
Power Supply Current |
IDD | Normal mode | VDD=4.2V | – | 4.2 | – | μA |
| VDD=3.6V | – | 3.7 | – | μA | |||
| VDD=3.0V | – | 3.6 | – | μA | |||
| Low Power mode | VDD=4.2V | – | 2.1 | – | μA | ||
| VDD=3.6V | – | 1.8 | – | μA | |||
| VDD=3.0V | – | 1.7 | – | μA | |||
| Timeout Lead Time | TLT | VDD=3.0V | – | 10 | – | S | |
| Enter Low Power mode after no activity time | Tr | VDD=3.0V | – | 12 | – | S | |
| Normal mode Response Time | t | VDD=3.0V | 50 | 60 | 70 | ms | |
| Low Power mode Response Time | t | VDD=3.0V | 50 | 120 | 140 | ms | |
| LVR Voltage | VLVR | TA=25°C | 1.8 | 1.9 | 2.1 | V | |
Selection Table
| Part No | Key press timeout reset | OUT level | Sensitivity | 2.3V LDO |
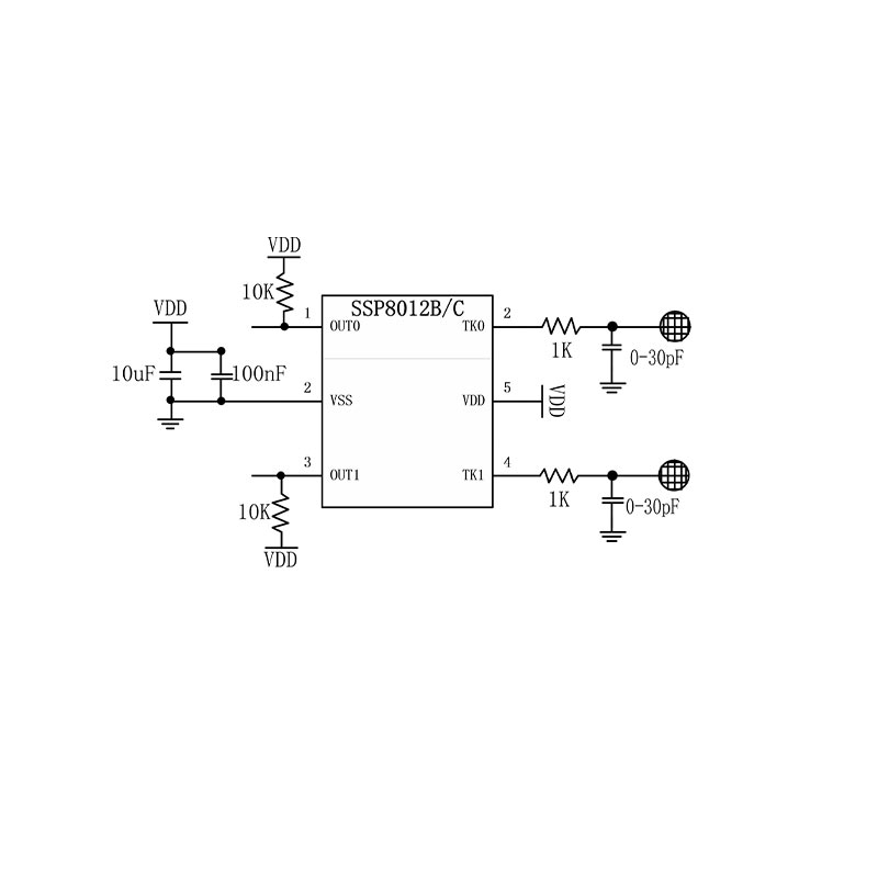
| SSP8012B | 10 seconds | CMOS output Active High | High | ON |
| SSP8012C | 10 seconds | CMOS output Active Low | High | ON |
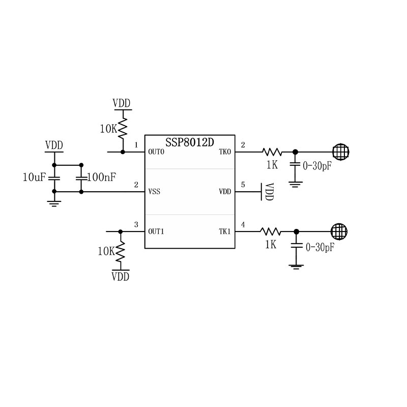
| SSP8012D | 10 seconds | Open-drain output Active-low | High | ON |
| Part No | Package | Manner of Packing | Devices per bag/reel |
| SSP8012B | SOT23-6 | Reel | 3000 |
| SSP8012C | SOT23-6 | Reel | 3000 |
| SSP8012D | SOT23-6 | Reel | 3000 |



Shanghai Siproin
Microelectronics Co.,Ltd.
Welcome your contact.