Features
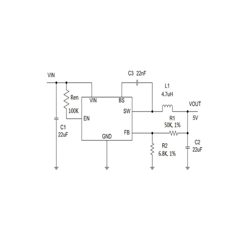
| Application
|
Blog






Features
| Application
|
Absolute Maximum Ratings
| Parameter | Range |
| Input Supply Voltage | -0.3V to 18V |
| Operating Temperature Range | -40℃ to +85℃ |
| Voltages | -0.3V to 6.0V |
| Temperature (Soldering, 10s) | 300℃ |
| SW Voltage | -0.3V to (Vin+0.5V) |
| Storage Temperature Range | -65℃ to 150℃ |
| BS Voltage | (Vsw-0.3) to (Vsw+5V) |
Electrical Characteristics
(VIN=12V, Vout=5V,TA = 25℃, unless otherwise noted.)
| Parameter | Conditions | MIN | TYP | MAX | unit |
| Input Voltage Range | 4 | 18 | V | ||
| SupplyCurrent in Operation | VEN=3.0V, VFB=1.1V | 0.5 | 0.6 | mA | |
| Supply Current in Shutdown | VEN =0 or EN = GND | 4 | uA | ||
| Regulated Feedback Voltage | TA = 25℃, 4V≤VIN ≤18V | 0.588 | 0.6 | 0.612 | V |
| High-Side Switch On-Resistance | 100 | mΩ | |||
| Low-Side Switch On-Resistance | 70 | mΩ | |||
| High-Side Switch Leakage Current | VEN=0V, VSW=0V | 0 | 10 | uA | |
| Upper Switch Current Limit | Minimum Duty Cycle | 3 | A | ||
| Oscillation Frequency | 0.6 | MHz | |||
| EN Voltage High | VENH | 1.4 | — | — | V |
| EN Voltage Low | VENL | — | — | 0.9 | V |
| Maximum Duty Cycle | VFB=0.6V | 92 | % | ||
| Minimum On-Time | 60 | nS | |||
| Minimum Off-Time | 90 | nS | |||
| Thermal Shutdown | 160 | ℃ | |||
| Thermal Hysteresis | 20 | ℃ |
Order Information
| Product model | Package | Manner of packing | Minimum packing quantity |
| H9108 | SOT23-6 | reel | 3000 |



Shanghai Siproin
Microelectronics Co.,Ltd.
Welcome your contact.