Fitur
| Aplikasi
|
Blog






Fitur
| Aplikasi
|
Peringkat Maksimum Mutlak
| Parameter | Nilai | Unit |
| AVDD ke AGND | -0.3~+7.0 | V |
| DVDD ke AGND | -0,3 ~ AVDD + 0,3 | V |
| Tegangan Input Analog ke AGND | ±16.5 | V |
| Tegangan Input Digital ke AGND | -0,3 ~ DVDD + 0,3 | V |
| Tegangan Output Digital ke AGND | -0,3 ~ DVDD + 0,3 | V |
| REFIN ke ANGD | -0,3 ~ AVDD + 0,3 | V |
| Input Arus ke Pin Apa Pun Kecuali Suplai | ±10 | mA |
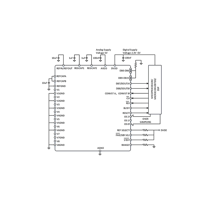
Karakteristik Listrik
AVDD = 4,75V hingga 5,25V, DVDD = 2,3V hingga 5,25V, fCONTOH=200kSPS, Ta = -40 ℃ ~ + 85 ℃
| Parameter | Kondisi Pengujian | Min. | Ketik. | Max. | Unit |
| Catu Daya | |||||
| AVDD | 4.75 | 5 | 5.25 | V | |
| DVDD | 2.3 | 3.3 | 5.25 | V | |
| Pasokan Saat Ini | |||||
| Mode Normal | Tidak ada pengambilan sampel | 19 | 22 | mA | |
| Pengambilan sampel 200kSPS | 21 | 27 | mA | ||
| Mode Siaga | 7 | 8 | mA | ||
| Mode Penonaktifan | 3 | 6 | μA | ||
| Kinerja Dinamis | |||||
| Sinyal-ke (Kebisingan + Distorsi) (SINAD) | Tidak ada pengambilan sampel berlebih; Kisaran ± 10V | 88.2 | dB | ||
| Tidak ada pengambilan sampel berlebih; Kisaran ± 5 V | 87.5 | dB | |||
| Oversampling sebesar 64; rentang ±10V; fMASUK=130Hz | 93 | dB | |||
| Oversampling sebesar 64; rentang ± 5V; fMASUK=130Hz | 92 | dB | |||
| Puncak Harmonik atau Derau Palsu (SFDR) | Tidak ada pengambilan sampel berlebih; Kisaran ± 10V | 108 | dB | ||
| Tidak ada pengambilan sampel berlebih; Kisaran ± 5V | 105 | dB | |||
| Isolasi Saluran-ke-Saluran | saluran yang tidak dipilih 0Hz <fMASUK<80kHz | -108 | dB | ||
| AKURASI DC | |||||
| Resolusi | 16 | Bit | |||
| Nonlinier Diferensial | ±1 | LSB | |||
| Nonlinieritas Integral | ±2 | LSB | |||
| Kesalahan Penguatan | ±2.5 | ±8 | LSB | ||
| Kesalahan Offset | ±0.2 | ±1 | LSB | ||
| MASUKAN ANALOG | |||||
| Rentang Tegangan Input | RANGE = 1 | ±10 | V | ||
| RANGE = 0 | ±5 | V | |||
| Arus Masukan Analog | 10V | 7.1 | μA | ||
| 5V | 2.7 | μA | |||
| Impedansi Input | 1 | MΩ | |||
| FILTER INPUT ANALOG | |||||
| Bandwidth 3dB | Rentang input ± 10V | 22.9 | kHz | ||
| Rentang input ± 5V | 15 | kHz | |||
| Keterlambatan Keseluruhan | Rentang input ± 10V | 12 | μs | ||
| Rentang input ± 5V | 17.5 | μs | |||
| MASUKAN/KELUARAN REFERENSI | |||||
| Rentang Tegangan Input Referensi | 2.475 | 2.5 | 2.525 | V | |
| Arus Kebocoran DC | 2 | μA | |||
| Tegangan Output Referensi | 2.4975 | 2.5 | 2.5025 | V | |
| Koefisien Suhu Referensi | ±6.5 | ppm / ℃ | |||
| TINGKAT KONVERSI | |||||
| Waktu Konversi | Kedelapan saluran termasuk | 4.4 | μs | ||
| Waktu Akuisisi Lacak-dan-Tahan | 1 | μs | |||
| Tingkat Keluaran | Kedelapan saluran termasuk | 200 | kSPS | ||
| MASUKAN LOGIKA | |||||
| Input Tegangan Tinggi | 0,9 × DVDD | V | |||
| Masukan Tegangan Rendah | 0,1 × DVDD | V | |||
| Arus Masukan | ±1 | μA | |||
| Kapasitansi Masukan | 10 | pF | |||
| KELUARAN LOGIKA | |||||
| Output Tegangan Tinggi | ISUMBER=6mA | DVDD-0.8 | V | ||
| Output Tegangan Rendah | IWASTAFEL=3mA | 0.5 | V | ||



Shanghai Siproin
Perusahaan Mikroelektronika, Ltd.
Selamat datang di kontak Anda.