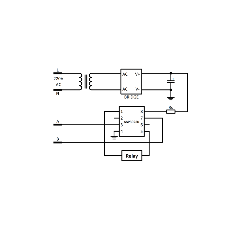
Eigenschaften
| Anwendungen
|
Blog








Eigenschaften
| Anwendungen
|
Absolute Maximalwerte
Tamb=25°C, sofern nicht anders angegeben.
| Parameter | Symbol | Wert | Einheit |
| Maximale Eingangsspannung | VDD-VGND | +40 | V |
| OUTA/OUTB Spannung | VOUTA/VOUTB | +40 | V |
| Andere Eingangs-/Ausgangsspannung | VIN/VOUT | VGND-0.4~VDD+0.4 | V |
| Maximale Sperrschichttemperatur | Tj | 150 | ℃ |
| Betriebstemperatur | To | -40~85 | ℃ |
| Lagertemperatur | Tstg | -65~150 | ℃ |
| Wärmewiderstand (Sperrschicht zu Umgebung) | Rja | 120 | ℃/W |
| ESD (Mensch-Körper-Modell) | HBM | 8000 | V |
| ESD (Maschinenmodell) | MM | 200 | V |
Hinweis: Dies sind nur Belastungswerte. Belastungen, die den unter "Absolute Maximalwerte" angegebenen Bereich überschreiten, können zu erheblichen Schäden am Gerät führen. Der Betrieb dieses Geräts unter anderen als den in der Spezifikation aufgeführten Bedingungen wird nicht vorausgesetzt, und eine längere Aussetzung an extreme Bedingungen kann die Zuverlässigkeit des Geräts beeinträchtigen.
Elektrische Eigenschaften(1) (2)
Tamb=25°C, sofern nicht anders angegeben.
| Parameter | Symbol | Testbedingungen | Min. | Typ. | Max. | Einheit |
| Statische Abschaltmerkmale | ||||||
| Durchbruchstrom am Ausgang | BVDSS | VINA=VINB=0V, ID=250uA | 40 | V | ||
| Ausgangs-Leckstrom | IDSS | VINA=VINB=0V, VD=24V | 10 | μA | ||
| Statische Öffnungsmerkmale | ||||||
| Eingangsschwellwert Spannung | VTH | 1.5 | 2 | V | ||
| Ausgangswiderstand | RDS(ON) | VDD=12V, RL=80Ω | 7 | 10 | Ω | |
| VDD=30V, RL=80Ω | 6 | 10 | Ω | |||
| VDD=12V, RL=40Ω | 7 | 10 | Ω | |||
| VDD=30V, RL=40Ω | 6 | 10 | Ω | |||
| Eingangsmerkmale | ||||||
| Äquivalenter Eingangswiderstand | RIN | VDD=12V,VINA=VINB=0V | 120 | kΩ | ||
| Eingangsstrom | IIN | VINA=3V oder VINB=3V | 250 | 400 | μA | |
| VINA=5V oder VINB=5V | 450 | 600 | μA | |||
| FWD Merkmale | ||||||
| Durchgangsspannung | VSD | IS=1A | 1.5 | 2 | V | |
| Wiederherstellungszeit umkehren | TRR | VDD=12V, RL=80Ω | 190 | ns | ||
| Übertragungseigenschaften | ||||||
| Anstiegszeit | TR | VDD=12V, RL=80Ω | 50 | ns | ||
| Einschaltverzögerungszeit | TD(ON) | VDD=12V, RL=80Ω | 60 | ns | ||
| Herbstzeit | TF | VDD=12V, RL=80Ω | 50 | ns | ||
| Ausschaltverzögerungszeit | TD(AUS) | VDD=12V, RL=80Ω | 2 | ns | ||
Spezifikation der Bestellung
| Teil Nr. | Paket | Art der Verpackung | Geräte pro Beutel/Rolle |
| SSP8023D | SOP23-6 | Rolle | 3000 |
| SSP8023D | SOP8 | Rolle | 4000 |



Schanghai Siproin
Mikroelektronik Co.,Ltd.
Wir freuen uns auf Ihren Kontakt.