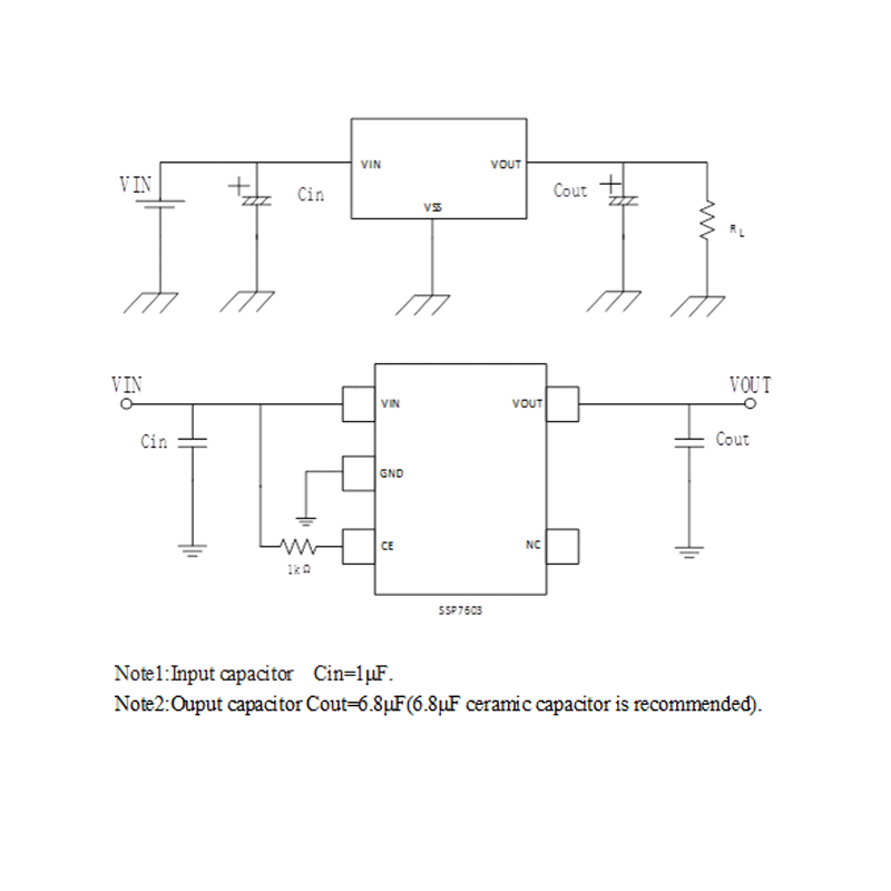
Eigenschaften
| Anwendungen
|
Blog






Eigenschaften
| Anwendungen
|
Absolute Maximalwerte
| Parameter | Symbol | Min | Max | Einheit |
| Versorgungsspannung | VIN | -0.3 | 18 | V |
| Betriebstemperatur | -40 | 85 | ℃ | |
| Lagertemperatur | TSTG | -40 | 125 | ℃ |
Hinweis: Dies sind nur die Grenzwerte. Die Überschreitung der in den absoluten Höchstwerten angegebenen Werte kann zu schweren Schäden am Gerät führen.
Elektrische Eigenschaften
SSP7603 für jede Ausgangsspannung (wenn nicht anders angegeben,Ta = 25℃)
| Parameter | Symbol | Bedingungen | Min | Typ | Max | Einheit |
| Ausgangsspannung | Vout | Vin=Vout+1V 1,0mA≤Iout≤30mA | Vout×0,98 | — | Vout×1,02 | V |
| Ausgang Strom | Iout | Vin-Vout=1V | — | 500 | — | mA |
| Niedriger Dropout | Vdrop | Siehe die nächste Tabelle | ||||
| Linie Regulierung | 1,6V≤Vin≤8V Iout=100mA | — | 0.05 | 0.2 | %/V | |
| Lastregelung | △Vout | Vin= Vout+1V 1,0mA≤Iout≤100mA | — | 12 | 30 | mV |
| Ausgangsspannung Temperatur-Wirkungsgrad | Iout=30mA 0℃≤Ta≤70℃ | — | ±100 | — | ppm/℃ | |
| Stromversorgung Ablehnungsquote | PSRR | F=1KHz Vin=Vout+1V | — | 40 | — | dB |
| Versorgungsstrom | Ausgabe1 | — | — | 1 | 2 | μA |
| Eingangsspannung | Vin | — | 3.5 | — | 15 | V |
| CE "Hohe" Spannung | VCEH | — | 1.4 | — | — | V |
| CE "Niedrige" Spannung | VCEL | — | — | — | 0.7 | V |
Informationen bestellen
| Modell des Produkts | Paket | Art der Verpackung | Minimale Verpackungsmenge |
| SSP7603Pxxxx | SOT89-3 | Rolle | 1000 |
| SOT89-3(B) | 1000 | ||
| SOT23-3 | 3000 | ||
| SOT23-5 | 3000 |



Schanghai Siproin
Mikroelektronik Co.,Ltd.
Wir freuen uns auf Ihren Kontakt.