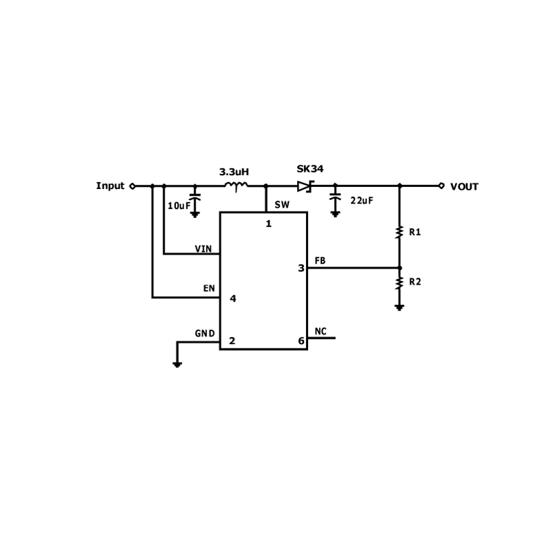
Özellikler
| Uygulama
|
Blog






Özellikler
| Uygulama
|
Mutlak Maksimum Değerler
| Parametre | Sembol | Maksimum Değerlendirme | Birim |
| Giriş gerilimi | VIN | Vss-0,3~Vss+24 | V |
| Çıkış gerilimi | VOUT | Vss-0,3~Vss+24 | V |
| VSW | Vss-0,3~Vss+24 | V | |
| Çıkış Akımı | ISW | 4 | A |
| Güç Tüketimi | PD | 250 | mW |
| Çalışma ortam sıcaklığı | Topr | -40~+80 | °C |
| Depolama ortam sıcaklığı | Tstg | -40~+125 | °C |
Not: Mutlak maksimum değerler, ürünün fiziksel hasara uğrayabileceği nominal değerlerdir. Bu nedenle bu değerler hiçbir koşul altında aşılmamalıdır.
Elektriksel Özellikler
VIN=3.6V,VOUT=5V, Ta=25°C, aksi belirtilmedikçe.
| Parametre | Sembol | Test Koşulları | Min | Tip | Maksimum | Birim |
| Çıkış gerilimi | VOUT | – | 2.5 | – | 24 | V |
| Giriş gerilimi | VIN | – | 2 | – | 24 | V |
| VIN düşük voltaj kilitleme eşiği | UVLO_F | – | 1.7 | – | 2 | V |
| VIN gerilim kilitleme histerezisi altında | UVLO_HYS | – | – | 100 | – | mV |
| Kapatma modu | IOFF | VEN<VENL | – | 0.01 | 1 | µA |
| I Sessiz Akım (PFM) | I_PFM | VIN=3.6V, VOUT=5V | – | 100 | – | μA |
| FB Voltajı | VR | VOUT=5V | 588 | 600 | 612 | mV |
| Anahtarlama frekansı | FS | IOUT=1.2A | – | 1.2 | – | MHz |
| Verimlilik | EFFI | VIN=3.6V, VOUT=5V IOUT=200mA | – | 90 | – | % |
| Dahili güç MOFFET direnci | RDSON | VIN=3.6V, ISW=2A | – | 80 | 150 | mΩ |
| SW Akım Sınırı | ISW | VIN=4,2V | – | 4 | – | A |
| Hat düzenlemesi | ΔVLINE | IOUT=1A, VIN=3V~4.2V | – | 0.4 | – | % |
| Yük düzenlemesi | ΔVLOAD | VIN=3.6V, IOUT=10mA~1.2A | – | 0.4 | – | % |
| EN Girişi Yüksek Gerilimi | VENH | VIN=3,6V | 1.2 | – | – | V |
| EN Girişi Düşük Voltaj | VENL | VIN=3,6V | – | – | 0.4 | V |
| SW Kaçağı | ISW_L | VSW=20V | 1 | μA | ||
| Termal Kapatma | TSHD | VIN=3,6V, IOUT=10mA | – | 200 | – | ℃ |
Sipariş Bilgileri
| Parça No | Paket | Paketleme Şekli | Torba/makara başına cihazlar |
| SSP8711 | SOT23-6L | Makara | 3000PCS/reel |



Shanghai Siproin
Microelectronics Co., Ltd.
İletişiminize hoş geldiniz.