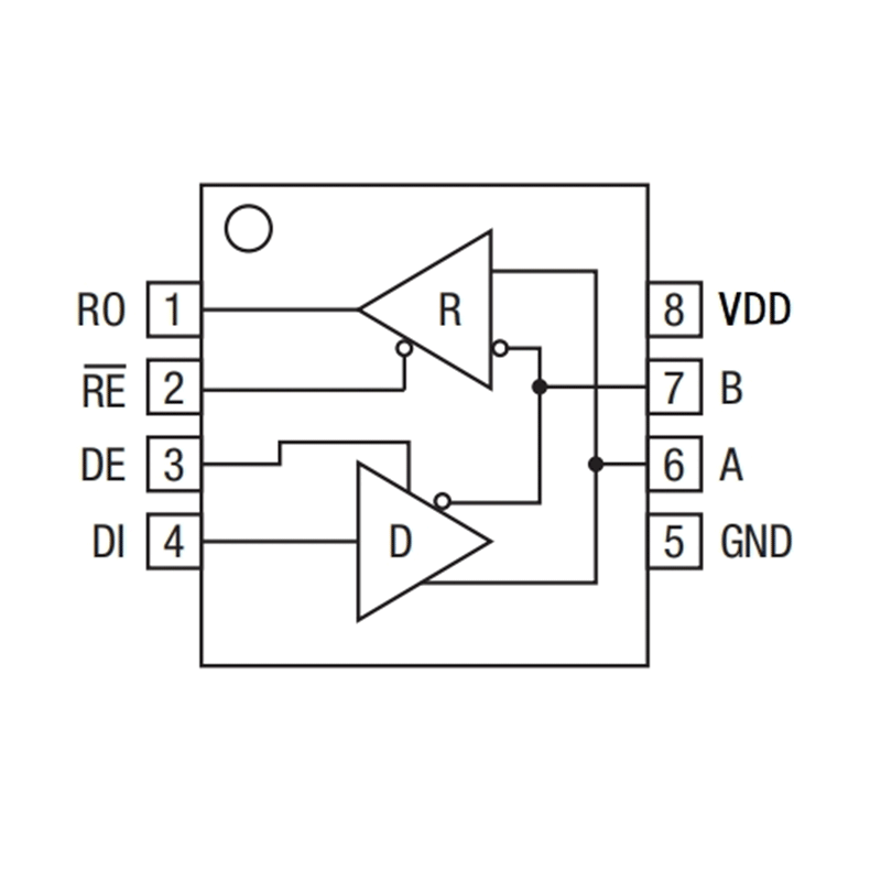
Özellikler
Diğer pinler seviye 3 ESD korumasına sahiptir:>+8kV HBM
| Uygulamalar
|
Blog






Özellikler
Diğer pinler seviye 3 ESD korumasına sahiptir:>+8kV HBM
| Uygulamalar
|
Mutlak Maksimum Değerler
Aksi belirtilmedikçe, Tamb= 25 ℃
| Parametre | Sembol | Değer | Birim |
| Besleme Gerilimi | VDD | -0.3~7 | V |
| Giriş / Çıkış Gerilimi | VİÇİNDE/VDIŞARI | GND-0,3~VDD+0.3 | V |
| A/B Giriş / Çıkış Gerilimi | VINA/B/VOUTA/B | -13~13 | V |
| Çalışma Sıcaklığı | Tamb | -40~85 | ℃ |
| Depolama Sıcaklığı | T | -65~150 | ℃ |
Elektriksel Özellikler
DC Elektriksel Özellikler
Aksi belirtilmediği sürece,VDD=5V±5%,Tamb=25℃
| Parametre | Sembol | Test Koşulları | Min | Tip | Maksimum | Birim | |
| Sürücü | |||||||
| Diferansiyel sürücü çıkışı | VOD1 | Yük yok | 5 | V | |||
| Diferansiyel sürücü çıkışı | VOD2 | R=50Ω(RS-422)(1) | 2.0 | V | |||
| R=27Ω(RS-485)(1) | 1.5 | V | |||||
| Tamamlayıcı çıkış durumları için sürücü diferansiyel çıkış geriliminin büyüklüğündeki değişim | ΔVOD | R=50Ω veya 27Ω(1) | 0.01 | 0.2 | V | ||
| Sürücü ortak mod çıkış gerilimi | VOC | R=50Ω veya 27Ω(1) | 3 | V | |||
| Tamamlayıcı çıkış durumları için sürücü ortak mod çıkış geriliminin büyüklüğündeki değişim | ΔVOC | R=50Ω veya 27Ω(1) | 0.01 | 0.2 | V | ||
| Giriş yüksek gerilimi | VIH1 | DE、 | 2.0 | V | |||
| Giriş düşük voltajı | VIL1 | DE、 | 0.8 | V | |||
| Giriş akımı | IIN1 | DE、 | -2 | 2 | mA | ||
| Giriş akımı (A, B) | IIN2 | DE=GND, VDD =GND veya 5,25V | Vin=12V | 125 | mA | ||
| Vin=-7V | -75 | mA | |||||
| Sürücü kısa devre akımı | IOD1 | -7V≤VDIŞARI≤VDD | -250 | mA | |||
| 0V≤VDIŞARI≤12V | 250 | mA | |||||
| 0V≤VDIŞARI≤VDD | ±25 | mA | |||||
| Alıcı | |||||||
| Diferansiyel eşik gerilimi | VTH | -7V≤VCM≤12V | -200 | -125 | -50 | mV | |
| giriş histerezis gerilimi | ΔVTH | 25 | mV | ||||
| çıkış yüksek voltajı | VOH | IO=-4mA,VKIMLIK=-50mV | 3.5 | V | |||
| çıkış düşük voltajı | VOL | IO=4mA,VKIMLIK=-200mV | 0.4 | V | |||
| Alıcıda 3 durumlu (yüksek empedanslı) çıkış akımı | IOZR | 0,4V≤VO≤2.4V | ±1 | mA | |||
| giriş direnci | RİÇİNDE | -7V≤VCM≤12V | 96 | kΩ | |||
| Alıcı kısa devre akımı | IOSR | 0V≤VRO≤VDD | ±7 | ±95 | mA | ||
| Besleme Akımı
| ICC
| Yük yok ,=DI =GND veya VDD
| DE=VDD | 450 | 900 | mA | |
| DE=GND | 450 | 600 | mA | ||||
| Kapatmada Besleme Akımı | ISHDN | DE=GND,=VDD | 10 | mA | |||
| ESD Koruması(A/B) | ESD | İnsan Vücudu Modeli | ±15 | kV | |||
İletim özellikleri
Aksi belirtilmediği sürece,VDD=5V±5%,Tamb=25℃
| Parametre | Sembol | Test Koşulları | Min. | Tip. | Max. | Birim |
| Sürücü Girişinden Çıkışa | tDPLH | RDIFF=54Ω,CL1=CL2=100pF(2) | 34 | 60 | ns | |
| Sürücü Girişinden Çıkışa | tDPHL | RDIFF=54Ω,CL1=CL2=100pF(2) | 34 | 60 | ns | |
| |tDPLH-tDPHL| | tDSKEW | RDIFF=54Ω,CL1=CL2=100pF(2) | -2.5 | ±10 | ns | |
| Sürücü Yükselme veya Düşme Süresi | tDR,tDF | RDIFF=54Ω,CL1=CL2=100pF(2) | 14 | 25 | ns | |
| Maksimum Veri Hızı | fMAX | 2 | Mbps | |||
| Sürücü Etkinleştirmeden Çıkışa Yüksek | tDZH | CL=100pF,S2 kapalı(3) | 150 | ns | ||
| Sürücü Etkinleştirmeden Çıkışa Düşük | tDZL | CL=100pF,S1 kapalı(3) | 150 | ns | ||
| Düşükten Sürücü Devre Dışı Bırakma Süresi | tDLZ | CL=15pF,S1 kapalı(3) | 100 | ns | ||
| Düşükten Sürücü Devre Dışı Bırakma Süresi | tDHZ | CL=15pF,S2 kapalı(3) | 100 | ns | ||
| Alıcı Girişinden Çıkışa | tRPLH | |VKIMLIK|≥2.0V Yükselme veya Düşme Süresi≤15ns(4) | 106 | 150 | ns | |
| Alıcı Girişinden Çıkışa | tRPHL | 106 | 150 | ns | ||
| |tRPLH-tRPHL| | tRSKD | |VKIMLIK|≥2.0V Yükselme veya Düşme Süresi≤15ns(4) | 0 | ±10 | ns | |
| Alıcı Etkinleştirmeden Çıkışa Düşük | tRZL | CL=100pF,S1 kapalı(5) | 20 | 50 | ns | |
| Alıcı Etkinleştirmeden Çıkışa Yüksek | tRZH | CL=100pF,S2 kapalı(5) | 20 | 50 | ns | |
| Alıcı Düşükten Devre Dışı Bırakma Süresi | tRLZ | CL=100pF,S1 kapalı(5) | 20 | 50 | ns | |
| Alıcı Yüksekten Devre Dışı Bırakma Süresi | tRHZ | CL=100pF,S2 kapalı(5) | 20 | 50 | ns | |
| Kapatma Zamanı | tSHDN | 50 | 200 | 600 | ns | |
| Sürücü Kapatmadan Yüksek Çıkışa Etkinleştirme | tDZH(SHDN) | CL=15pF,S2 kapalı(3) | 250 | ns | ||
| Kapatmadan Düşük Çıkışa Sürücü Etkinleştirme | tDZL(SHDN) | CL=15pF,S1 kapalı(3) | 250 | ns | ||
| Alıcı Kapatmadan Çıkışa Yüksek Etkinleştirme | tRZH(SHDN) | CL=100pF,S2 kapalı(3) | 3500 | ns | ||
| Kapatmadan Düşük Çıkışa Alıcı Etkinleştirme | tRZL(SHDN) | CL=100pF,S1 kapalı(3) | 3500 | ns |



Shanghai Siproin
Microelectronics Co., Ltd.
İletişiminize hoş geldiniz.